发布时间:2024-03-22 14:17:52浏览次数:2117

电缆故障测试仪-高压开关特性测试仪-专注于电力试验设备研发! 咨询电话:130-3714-0838
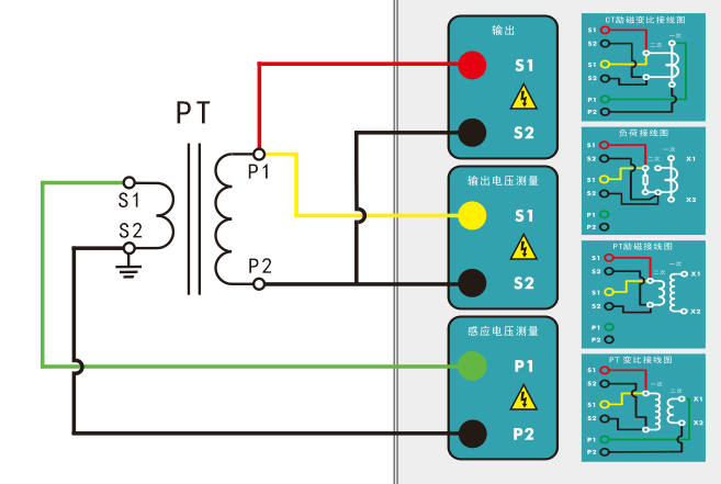
我们以LDTCP-1200D变频互感器综合测试仪来讲解PT变比试验操作方法
① PT变比试验接线方式:
输出的S1红色测试线和输出电压测量的S1黄色测试线短接在一起,接在互感器一次P1端子。
输出的S2黑色测试线和输出电压测量的S2黑色测试线短接在一起,接在互感器一次P2端子。
感应电压测量P1和P2接二次S1和S2。
PT变比试验接线图:

② 接好测试线,进行参数设置,对应互感器铭牌输入对应的参数,如下图:

③ 参数设置
第1步:在参数界面,类型栏中选择PT选项。
第2步:填入合适编号和绕组,以便试验结束后保存报告时有合适的报告名称。
第3步:选择试验项目,在变比项目前打钩✔。
第4步:输入当前温度:测试时绕组温度,一般可输入测试时的气温。
第5步:试验项目选择变比测试,需输入一次电压,即PT一次侧的额定电压
第6步:选择额定频率:指CT的额定工作频率,可选值为:50Hz或60Hz。
第7步:输入最大电压:如果二次额定电压是100V,最大电压设置成130-190V之间均可。
④ 参数设置完成后,进行测试,测试结束,拧动旋转鼠标,查看测试数据,也可以选择打印数据。